Questions? Feedback? powered by Olark live chat software

The cookie settings on this website are set to 'allow all cookies' to give you the very best experience. Please click Accept Cookies to continue to use the site.

×
close
click to zoom in

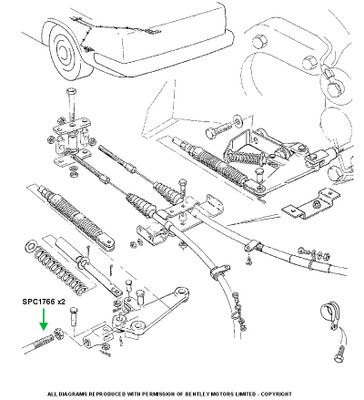
Connecting Rod Bolt (RE4835)

(No reviews yet) Write a Review
$54.00
Condition:
New
Availability:
Stock Item - Ready for Shipping
Part Number:
RE4835
Model / Chassis Applicability:
Mk-VI ONLY
Connecting Rod Bolt (RE4835)

Connecting Rod Bolt (RE4835)

$54.00

This is the Connecting Rod Assembly Bolt.

2 Per Rod = 12 Total Car (Sold Each)

Mk-VI ONLY

Need help? We're available at770-459-0040 - Email us atinfo@replacementpartsinc.com orlive help