quick view Add to Cart Washer GM400 Automatic Transmission (GM8623744) MSRP: $4.13 This is the Rear Servo Pin Piston Washer on 3 Speed Automatic GM400 Transmission. 1966-1980 Corniche, Shadow, T, Wraith II, Shadow II, T2 (from VIN 1114 onward) 1980-1993 Arnage, Brooklands, Continentals, Corniche, Mulsanne, Spirit, Spur, Turbo (up... Add to Cart
quick view Add to Cart Washer 0.328" (SPC1492) MSRP: $4.95 Multi use washer Supersession: UA164Z, UA164ZP, WHT002850, UA164ZP, WHT002850P Cooling fan, volute casing, Transmission adaptor plate, front suspension, air condition, crankshaft, hydraulic hose, subframe, handbrake, alternator, torque converter... Add to Cart
quick view Add to Cart Transmission Service Kit (RH10009) MSRP: $54.13 This is a service kit for the 3 speed gearbox. Service Kit - includes filter, pan gasket, & rubber o rings. 1967-1980 (VIN 4486-41686) 1980-1992 (VIN 01001-36323) Add to Cart
quick view Add to Cart Transmission Pan Gasket (GM8677009) MSRP: $134.98 This is the transmission pan gasket also known as the gearbox pan gasket. 1990-1998 Arnage, Azure, Brooklands, Continentals, Eight, Mulsanne, Spirit, Spur, Turbo (From VIN 36323 onwards) Add to Cart
quick view Add to Cart Transmission Direct Clutch Plate (GM8623122) MSRP: $135.00 Transmission/Gearbox forward & direct clutch on RHD & LHD models 1967-1980 All Models 3 speed (GM400) 1980-1992 All Model up to VIN 44582 Add to Cart
quick view Add to Cart Torque Converter (GM8627949) MSRP: $531.17 This is the 3 Bolt Torque Converter for 3 Speed GM400 Gearbox. 1968-1980 Shadow, T Saloon & Coachbuilt, Silver Wraith II 1980-1986 Silver Spirit, Silver Spur, Mulsanne Up to VIN 16970 Add to Cart
quick view Add to Cart Thick Washer (UA6101Z) MSRP: $19.68 Thick Washer found in many different areas on car. Diagrams available if needed. S1 & Cloud I Radiator Matrix Heater Ducting Blower Air Conditioning Window Lift S2,3 & Cloud II,III Propeller Shaft, Radiator Air Conditioning Boot... Add to Cart
quick view Add to Cart Spring Washer 3BA (X9005Z) MSRP: $3.54 3BA Spring Washer Fits: Fuel Sender, boot locking mechanism, front door lock mounting bracket, brake light warning switch, fuel door solenoid, clutch plate & trunnion, steering wheel, carburetor control, choke switch, sump, instruments, fuse box and... Add to Cart
quick view Add to Cart Split Pin .125" x .750" long (UA10031Z) MSRP: $2.93 This Split Pin .125" x .750" long fits: 1962-1965 S3 & Cloud III - Hand Brake 1964-1968 Phantom V - Hand Brake 1966-1980 All Models - Rear Hand Brake 1976-1980 Shadow II, Wraith II, T2 - 3 Speed Automatic (GM400) Operating Rod Transmission... Add to Cart
quick view Add to Cart Split Pin .062 x .375 long (UA10110R) MSRP: $2.53 Multi Use Split Pin .062 x .375in long * 3 Speedometer Drive & Govenor (VIN 1467-26700)* Throttle Linkage (VIN 01001-80056)* Speedometer Drive (VIN 01001-09288)* Parking Brake Pedal (VIN 36283-59571)* Ignition Switch (VIN 01001-68001)* Facia Vents... Add to Cart
quick view Add to Cart Speedo Drive Oring (UG14799) MSRP: $27.44 This is the o ring used to seal the drive gear into the transmission. 1984-1991 Continental, Corniche, Spirit, Spur, Mulsanne, Turbo (From VIN 08537) Add to Cart
quick view Add to Cart Set Screw 2BA x .250" long (XC150Z) MSRP: $14.46 This Set Screw 2BA x .250" long Fits: 1966-1980 Camargue (Vanes & Transmission)1966-1980 All Models (VIN 1114 Onward) (Transmission Plate Rear Engine)1980-1995 Mulsanne, Spirit, Spur, Turbo (VIN 01001-58293) Seatbelts, Transmission Plate1986-1992... Add to Cart
quick view Add to Cart Sealing Ring Modulator & Kickdown (GM10054241) MSRP: $6.58 This is the seal between the vacuum modulator and the gearbox and between the kickdown connector and the gearbox. All with GM400 transmissions 1980-1998 Sliver Spirit, Sliver Spur, Mulsanne, Turbo R, Pre Arnage, Azure 1999-2010 Arnage,... Add to Cart
quick view Add to Cart Screw Pan Head .8 x .625" long (UA7333Z) MSRP: $0.84 The screw is a .8 x .625" long Pan Head Screw that fits multiple applications: Base Spring Contacts to the Cover for Gear Change Actuator Upper Mounting Bracket to the Front Side Lamps 1989-1997 Azure, Brooklands, Continentals, Corniche, Eight,... Add to Cart
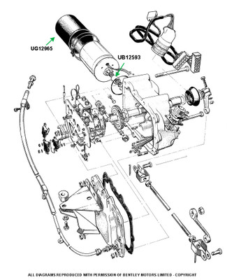
quick view Add to Cart Rubber Boot Gear Shift Actuator (UG12965) MSRP: $69.34 This is the protective rubber boot that goes over the motor on the back of the gearbox actuator. 1970-1980 Camargue, Corniche, Shadow, T, Shadow II, Wraith II, T2 1980-1991 Continental, Corniche, Eight, Mulsanne, Spirit, Spur, Turbo (up to VIN 36323) Add to Cart
sold out quick view Call for Availability Ring Gear GMF400 Transmission (UG13281U) MSRP: $562.39 This is a good used starter ring gear for year models fitted with GM400 transmission / gearbox before 1987. 1969-1980 Silver Shadow, T-series, Shadow II, T-2, Silver Wraith II (VIN 8742-41686) 1980-1986 Silver Spirit, Silver Spur,... Call for Availability
quick view Add to Cart Plain Washer Small (X4401Z) MSRP: $1.31 Plain washer found on car areas:Oil filler & breather, steering column, throttle body, air/heating servo & choke, throttle housing, rear door ashtray spring, headlamps 1959-1968 Cloud III, S3 & Phantom V 1966-1980 All Models 1980-2000 All... Add to Cart
quick view Add to Cart Plain Washer 10mm (UM20207Z) MSRP: $0.55 This is a 10mm Plain washer fits: engine mounting feet, engine cover, transmission, air conditioning compressor mounting bracket & bolts, crankshaft, air injections system, front brake hose, fog light bracket 1970-1980 Shadow, T, Shadow II, T2,... Add to Cart
quick view Add to Cart Plain Washer (X8804SS) MSRP: $17.80 This is a plain washer fitted for UA9243Z hex head thread cutting screw. These are found on the exterior body.EGR system, LHD handbrake, Exhaust, Throttle Linkage, Gearbox Cooler Hoses & Pipes, Electric Fan, Hood Release Mechanism, Steering Hoses,... Add to Cart
quick view Add to Cart Plain Washer (Multi Use) (WHT002849) MSRP: $2.29 This washer is found all over the cars from 1955-1997 Front Door Hinge Transmission Gear Change Volute Casing Thermostat Front Suspension Spring Cylinder Head Manifold Air Pressure Sensor (2bar) Fuel Injection Fuel Rail Dashboard Instrument Handbrake... Add to Cart
quick view Add to Cart Plain Nut (UA11405Z) MSRP: $7.63 Plain Nut found in many areas on the car. Please use diagrams to find placements 1966-1980 All Models 1980-1998 All Models Add to Cart
quick view Add to Cart Oil Seal Final Drive Output Shaft Right Hand / Camshaft Oil Seal (07V109293) MSRP: $111.23 This is the oil seal for the rear camshaft models from VIN 50001 onward. It is also the oil seal on the Right Hand output shaft on the differential models from VIN 08268 onward. 1984-1998 Arnage, Azure, Brooklands, Continentals, Corniche, Mulsanne,... Add to Cart
quick view Add to Cart Hose Clip (UD26001) MSRP: $0.96 This is a Small Hose clip for: transmission vacuum pipe throttle valve; clip for the headlamp washer hose; clip for the expansion tank hose 1980-1997 All Models Add to Cart
quick view Add to Cart Governor Cover Gasket (GM8670381) MSRP: $10.13 This is the gasket for the Governor Cover Gasket for GM400 gearbox. 1989-1992 Continental, Corniche, Eight, Mulsanne, Spirit, Spur, Mulsanne (VIN 23211-44582) Add to Cart
quick view Add to Cart Gearbox Filter (GM8684221) MSRP: $151.42 This is the filter that sits inside the gearbox. 1990-1998 from VIN 36323 onwards Arnage & Azure up to 2006 Add to Cart
quick view Add to Cart Gearbox Actuator Gaiter (UR11240) MSRP: $85.67 This is the rubber gaiter for the bush output lever. 1966-1980 Shadow, T, Warith II, Shadow II, T2 1980-1992 Mulsanne, Spirit, Spur, Turbo Add to Cart
quick view Add to Cart Gear Selector Shaft Seal (GM8657163) MSRP: $13.69 This is the seal for the gearshift selector shaft on manual shift models 1966-1992 All Models with GM400 Transmission Add to Cart
quick view Add to Cart Gasket Governor (GM8623263) MSRP: $11.72 This is the Gasket to the Governor Speedometer Drive. 1967-1980 Shadow, T Saloon & Coachbuilt, T2, Wraith II, Shadow II (VIN 1124 onward) 1973-1983 Camargue (VIN 14674-50776) 1980-1991 Continental, Corniche, Eight, Mulsanne, Spirit, Spur, Turbo (VIN... Add to Cart
quick view Add to Cart Front Pump Washer (GM8655280) MSRP: $10.63 This is the washer for the set screws that mount the front pump into the gearbox casting. Depending on your model you will need either 6,7 or 8 total. All Models with GMF400 Gearbox Add to Cart
quick view Add to Cart Front Pump Seal (GM8670283) MSRP: $41.87 This is the front pump seal on the input shaft of the gearbox. This seal is very prone to leaking causing the characteristic oil leak from the underside of the bell housing. When changing the gearbox front pump seal GM8670283 the below parts are also... Add to Cart