Questions? Feedback? powered by Olark live chat software

The cookie settings on this website are set to 'allow all cookies' to give you the very best experience. Please click Accept Cookies to continue to use the site.

×
close
click to zoom in

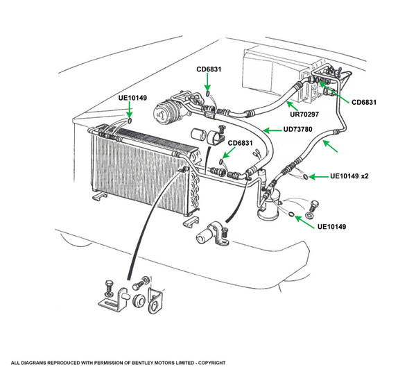
Air Condition O ring (CD6831)

(No reviews yet) Write a Review
€4.27
Condition:
New
Availability:
Stock Item - Ready for Shipping
Part Number:
CD6831
Model / Chassis Applicability:
1966-1993 All Models
Air Condition O ring (CD6831)

Air Condition O ring (CD6831)

€4.27

This O ring has a number of applications on the air conditioning system of all cars from 1965-1986. Including, between the condenser and the receiver drier on the Silver Shadow. 

It has an internal diameter of 0.301". 

From 1981-1983 (VIN 1001-8870) this O ring seals the condenser union to the pipe from the compressor as well as being one of the O rings on the VIR unit. 

1966-1980 Shadow, T-series, Shadow II, T-2, Silver Wraith II

1981-1993 Spirit, Spur, Mulsanne, Turbo R (up to VIN 46781)

Need help? We're available at770-459-0040 - Email us atinfo@replacementpartsinc.com orlive help